QR-kód
Termékek
Lépjen kapcsolatba velünk


Fax
+86-574-87168065

Email

Cím
Luotuo ipari terület, Zhenhai kerület, Ningbo City, Kína
A Raydafon SWC-DH rövid flex hegesztési típusú univerzális tengelykapcsolóját úgy építették, hogy az elrendezett tengelyeket a nagy teherbírású fogaskerékben összekapcsolják-gondolkodjanak a gördülő malmok, emelő és acélfeldolgozó gépek. Ez egy kompakt, rövid flex univerzális tengelykapcsoló, amelynek átmérője 45 mm és 390 mm között van. Még akkor is, ha a tengelyek akár 25 fokkal (szögváltozás) is lesznek kikapcsolva, még mindig hatékonyan mozgatja a nyomatékot - 1000 kN · m -re kiszállva, ami megfelel a nehéz berendezések energiaigényéhez.
Nagy szilárdságú 35crmo acélból készítjük, és négy tűcsapágyat adunk hozzá, így nehéz terhelések alatt tartjuk. Ezért ez egy szilárd választás az ipari gépek univerzális tengelyeihez, és nagyszerűen működik, mint nehéz berendezések hegesztett univerzális tengelykapcsolók, ahol a terhelések nagymértékben maradnak. Rövid flexes kialakítása tökéletes olyan gépek számára, ahol kevés hely van a tengelyirányú mozgáshoz-kemény sebességváltó-rögzítést biztosít a kemény ipari terekhez.
A Raydafon egy kínai székhelyű gyártója, az ISO 9001 tanúsítással, így ragaszkodunk a szigorú minőségi szabályokhoz minden SWC-DH univerzális kapcsoláshoz. A kereszttengely króm lemezt kap a korrózió leküzdésére, tehát akkor is tart, ha a körülmények durvák. A hegesztett ige megkönnyíti a telepítést is - csak a tengelyeket állítsa be jobbra, és a legjobban működik. Megtalálja a fogaskereken a kohászatban, a bányászatban és a daru rendszerekben, nincs probléma.
Ráadásul ez a tengelykapcsoló különböző méretű és nyomaték -besorolásokban kapható. Ha szüksége van egy egyedi univerzális kapcsolásra az ipari gépekhez - mondjuk, betakarítókhoz vagy más konkrét felszerelésekhez -, az Ön igényeihez igazíthatjuk, és az ár versenyképes marad. Megvan a gyártási know-how, hogy ezt a rövid flexcsatlakozást csökkentsük a berendezések leállítására, így a gépek megbízhatóbban működnek.
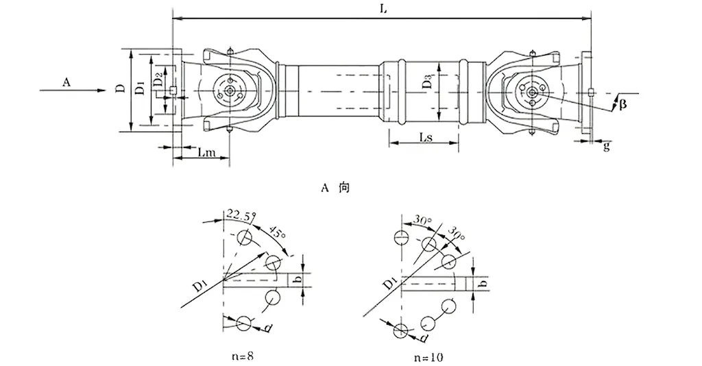
| Nem. | Felsiklási átmérő D mm | Névleges nyomaték TN Kn · m | Tengelyek hajtogatási szöge β (°) | Fáradt nyomaték tf Kn · m | Hajlékony mennyiség Ls mm | Méret (mm) | Forgó tehetetlenség kg.m2 | Súly (kg) | |||||||||||
| LMin | D1 (JS11) | D2 (H7) | D3 | LM | N-D | k | t | b (H9) | g | LMin | Növekedés 100 mm | LMin | Növekedés 100 mm | ||||||
| SWC180DH1 | 180 | 20 | 10 | ≤25 | 75 | 650 | 155 | 105 | 114 | 110 | 8-17 | 17 | 5 | - | - | 0.165 | 0.0070 | 58 | 2.8 |
| SWC180DH2 | 55 | 600 | 0.162 | 56 | |||||||||||||||
| SWC180DH3 | 40 | 550 | 0.160 | 52 | |||||||||||||||
| SWC225DH1 | 225 | 40 | 20 | ≤15 | 85 | 710 | 196 | 135 | 152 | 120 | 20 | 5 | 32 | 9.0 | 0.415 | 0.0234 | 95 | 4.9 | |
| SWC225DH2 | 70 | 640 | 0.397 | 92 | |||||||||||||||
| SWC250DH1 | 250 | 63 | 31.5 | ≤15 | 100 | 795 | 218 | 150 | 168 | 140 | 8-19 | 25 | 6 | 40 | 12.5 | 0.900 | 0.0277 | 148 | 5.3 |
| SWC250DH2 | 70 | 735 | 0.885 | 136 | |||||||||||||||
| SWC285DH1 | 285 | 90 | 45 | ≤15 | 120 | 950 | 245 | 170 | 194 | 160 | 8-21 | 27 | 7 | 40 | 15.0 | 1.876 | 0.0510 | 229 | 6.3 |
| SWC285DH2 | 80 | 880 | 1.801 | 221 | |||||||||||||||
| SWC315DH1 | 315 | 125 | 63 | ≤15 | 130 | 1070 | 280 | 185 | 219 | 180 | 10-23 | 32 | 8 | 40 | 15.0 | 3.331 | 0.0795 | 346 | 8.0 |
| SWC315DH2 | 90 | 980 | 3.163 | 334 | |||||||||||||||
| SWC350DH1 | 350 | 180 | 90 | ≤15 | 140 | 1170 | 310 | 210 | 267 | 194 | 10-23 | 35 | 8 | 50 | 16.0 | 6.215 | 0..2219 | 508 | 15.0 |
| SWC350DH2 | 90 | 1070 | 5.824 | 485 | |||||||||||||||
| SWC390DH1 | 390 | 250 | 125 | ≤15 | 150 | 1300 | 345 | 235 | 267 | 215 | 10-25 | 40 | 8 | 70 | 18.0 | 11.125 | 0.2219 | 655 | |
| SWC390DH2 | 90 | 1200 | 10.763 | 600 | |||||||||||||||
* 1. TF-a váltakozás alatt betölti a nyomatékot, amely megengedi a fáradtság szilárdságának megfelelően. * 2. Lmin-a legkevésbé a vágás után. * 3.
Az SWC univerzális ízületi kapcsolás, amelyet gyakran SWC Cardan tengely univerzális ízületi csatolásnak hívnak, kulcsfontosságú elem a nagy teherbírású ipari forgatókönyvekben. Ez nélkülözhetetlen a malomhoz, az emelőgépekhez és a különféle nagyszabású nehéz géprendszerekhez. Magas torque univerzális ízületi csatlakoztatóként hatékonyan összekapcsolhatja a két sebességváltót tengelyt nem hangos tengelyekkel, biztosítva a folyamatos energiaátvitelt még összetett és kemény munkakörülmények mellett.
A kapcsolás alapvető műszaki paraméterei a következők:
A girációs átmérő: φ58 - φ620
Névleges nyomaték: 0,15 - 1000 kN · m
Tengely hajtogatási szöge: ≤25 °
A gyakorlati alkalmazásokban kivételesen jól teljesít. Például a gördülő malom műveletei során, amikor megbízható, nagy teherbírású, univerzális ízületi csatlakoztatásra van szükség a gördülő malmokra, vagy az emelő- és anyagkezelő berendezésekre, amikor tartós SWC univerzális ízületi tengelycsatlakozásra van szükség, ez a termék teljes mértékben kompetens. Még nehéz terhelések esetén is stabilan fenntarthatja a berendezés működési stabilitását.
Az SWC univerzális közös csatolást fejlett mérnöki alapelvek felhasználásával tervezték, kivételes teljesítményt és hosszabb élettartamot biztosítva az ipari környezetben. Fő szerkezeti jellemzői a következők:
Ésszerű és biztonságos felépítés: Az integrált villafej kialakításával ez az ipari univerzális ízületcsatlakozás csökkenti a csavar meglazulásának vagy törésének kockázatát, növelve a szerkezeti szilárdságot 30%-50%-kal. Ez a kialakítás biztosítja a biztonságos és megbízható működést, kiterjeszti a szolgáltatási élettartamot a hagyományos modellekhez képest, és megakadályozza a nagynyomású forgatókönyvek, például a nehéz gépek univerzális közös kapcsolási rendszereiben a közös hibákat.
Fokozott teherhordó kapacitás: Az SWC nagy teherbírású univerzális ízületi csatolása kifejezetten a nehéz terhelések viselésére szolgál, és ez nélkülözhetetlen a forgatókönyvekben, amelyek kiváló terheléskezelést igényelnek, például bányászati vagy építőipari gépeket.
Magas átviteli hatékonyság: A nagy teljesítményű sebességváltó hatékony univerzális ízületi csatlakoztatása legfeljebb 98,6%-os hatékonysággal jelentősen csökkenti az energiafogyasztást és a kapcsolódó költségeket, ezáltal az első választás az energiatakarékos univerzális ízületi kapcsolási megoldások számára a nagy teljesítményű ipari átviteli rendszerekben.
Stabil működés alacsony zajjal: Ez az alacsony zajú univerzális ízületi kapcsolás stabilan működik, a zajszintek jellemzően 30–40 dB (A) között, biztosítva a csendes teljesítményt. Ideális zajérzékeny környezethez, miközben fenntartja a nagy megbízhatóságot.
Az univerzális ízületi csatlakozók, különösen az SWC Cardan tengely univerzális ízületi csatolása nélkülözhetetlen átviteli alkatrészekké váltak az ipari alkalmazásokban, kiemelkedő előnyeik miatt. Az alapvető szükségleteket kielégíthetik olyan területeken, mint a nehéz gépek, a precíziós gyártás és az energiaátvitel. Az alábbiakban ismertetjük a legfontosabb előnyeik részletes elemzését:
1. Erős nyomaték -átvitel és kiváló eltérési kompenzáció
Magas torque univerzális ízületi kapcsolóként stabilan továbbíthatja a nagy teljesítményű terheket. Még olyan forgatókönyvekben is, amikor a tengelyek eltérése gyakran fordul elő a gördülő malom műveletei során-mint például a hengeres kopás és a hőmérsékleti változások által okozott tengelyirányú eltolás az acélgörbítés során-, ez a megbízható, nagy teljesítményű univerzális ízületi kapcsolás a gördülő malom műveleteihez könnyedén képes kezelni. Ez egyidejűleg kompenzálhatja a szög-, axiális és radiális eltéréseket, a maximális szög eltéréssel akár 25 fok is. Ez a kiváló eltérésű alkalmazkodóképesség megakadályozza a tengelyek eltérése által okozott átviteli dugókat, biztosítja a folyamatos és stabil teljesítményt, jelentősen csökkenti a mechanikai hibák valószínűségét szélsőséges munkakörülmények között, és garantálja a gyártósorok folyamatos működését.
2. Nagy tartósság és hosszabb szolgálati élettartam
Az SWC univerzális ízületi csatlakozók tervezése és anyagválasztása a "nehéz terhelések ellenállása és a szigorú környezet ellenállása" középpontjában áll. A főtest nagy szilárdságú ötvözött acélból készül, egy integrált villakészségszerkezetgel kombinálva, amely alapvetően csökkenti a közös meghibásodási pontokat, például a csavar meglazulását és az alkatrészek törését. Példaként figyelembe véve a tartós SWC univerzális ízületi tengelycsatlakozást, amelyet az emelő és az anyagkezelő berendezésekhez használnak, ez ellenáll a pillanatnyi ütközésnek, amikor nehéz tárgyakat emel, és fenntartja a stabil teljesítményt olyan kemény környezetben, mint a por és a magas hőmérséklet. A hagyományos osztott struktúra-kapcsolókkal összehasonlítva ez az ipari univerzális ízületi kapcsolás összessége 30–50%-kal nőtt, ami nemcsak csökkenti a napi karbantartás gyakoriságát, hanem a szolgáltatási élettartamot 2-3 évvel is meghosszabbítja. Különösen alkalmas a nehéz gépek univerzális közös kapcsolási rendszereinek hosszú távú, nagy terhelésű működési igényeire.
3. Nagy átviteli hatékonyság és jelentős energiatakarékos hatás
A tesztek kimutatták, hogy az SWC nehéz teherbírású univerzális ízületi kapcsolójának átviteli hatékonysága akár 98,6%, ami nyilvánvaló előnyökkel jár a nagy teljesítményű ipari sebességváltó forgatókönyvekben-például az acélüzemekben lévő kohártartó ventilátorok és az erőművekben lévő szénszállító rendszerek. A folyamatos nagy teljesítményű sebességváltóhoz szükséges berendezések esetében a nagy energiaátvitelhez való hatékony univerzális ízületi kapcsoláshoz való egyeztetés minimalizálhatja az energiaveszteséget. Az energiatakarékos univerzális közös kapcsolási megoldásokkal foglalkozó vállalkozások esetében ez a nagy hatékonyság közvetlenül átalakítható költségelőnyökké: Például egy 1500 kW-os ipari motor bevétele évente több mint 12 000 jüan-t takaríthat meg a villamosenergia-költségek költségeiben, és segíthet a vállalkozásoknak a hosszú távú használatának csökkentésében, miközben megfelel az energiamegtakarítás és a fogyasztás-gyógyulás tendenciáinak az ipari területen.
4. Stabil és csendes működés, több forgatókönyvhöz alkalmas
A csapágy illesztési pontosságának optimalizálásával és az alacsony súrlódási együtthatóval rendelkező kenőzsír használatával ennek az alacsony zajszintű univerzális ízületi kapcsolásnak a működési zaját szigorúan 30–40 dB (A) -ben szabályozzák, ami megegyezik a napi hivatal környezeti zajszintjével, és teljes mértékben megfelel az ipari területek zajkibocsátási előírásainak. A zajérzékeny forgatókönyvekben-mint például az élelmiszer-feldolgozó üzemek gyártási vonalai és a precíziós elektronikus alkatrészekhez történő szállítóberendezések-nemcsak biztosíthatják az átviteli rendszer stabilitását és megbízhatóságát, hanem elkerülhetik a műhely környezetének vagy a munkavállalók működési tapasztalatának a zaj miatti működési élményét is. Ugyanakkor a stabil átviteli tulajdonságok csökkenthetik a környező alkatrészek kopását is, amelyet a berendezések rezgése okozott, tovább javítva a teljes termelési rendszer működési stabilitását és élettartamát.
Az SWC-DH rövid flex hegesztési típusú univerzális tengelykapcsolót, amelyet gyakran SWC Cardan tengely-univerzális ízületi csatolásnak neveznek, elsősorban nehéz gépek forgatókönyveiben, például gördülő malmokban és emelőben használják. Az ilyen típusú berendezések rendkívül magas követelményekkel rendelkeznek a szerkezeti tömörségre és a rugalmasságra - csak e két pont teljesítésével lehet hatékonyan működni, és ez a kapcsolás tökéletesen megfelel az ilyen igényeknek. Magas torque univerzális ízületi csatlakoztatóként hatékonyan összekapcsolhatja a két sebességváltót tengelyt nem hangos tengelyekkel, biztosítva a zökkenőmentes energiaátvitelt még olyan kemény ipari környezetben is, amelyek pontos kompenzációt igényelnek a tengelyrendszer eltérésének.
Gyakorlati alkalmazásokban, függetlenül attól, hogy megbízható, nagy teherbírású univerzális ízületi csatlakoztatásra van szükség a gördülő malom működéséhez, vagy az emelő és az anyagkezelő berendezések tartós SWC univerzális ízületi tengelye-csatlakozójára szükség van, ez a termék kiválóan képes fenntartani a stabil berendezések működését is szélsőséges terhelések alatt. Az alkalmazkodóképesség -előnye különösen kiemelkedő a kompakt berendezések elrendezésében, ahol a hely korlátozott, és rövid rugalmas szerkezeti kialakításra van szükség.
Ez a SWC-DH ipari univerzális közös összekapcsolódás fejlett mérnöki technológiával épül fel, és amelyet kifejezetten az ipari forgatókönyvekhez optimalizálnak, és az élettartamra optimalizálják. Alapvető szerkezeti jellemzője ésszerű és biztonságos kialakításában rejlik: az integrált villafej szerkezete alapvetően kiküszöböli a csavarok meglazításának vagy törésének rejtett veszélyeit, növelve az általános szilárdságot 30%-50%-kal. Ez a kialakítás nemcsak biztosítja a működés biztonságát és megbízhatóságát, hanem meghosszabbítja a szolgáltatási élettartamot a hagyományos modellekhez képest, miközben elkerüli a nagy stresszes alkalmazási forgatókönyvek, például a nehéz gépek univerzális közös kapcsolási rendszereiben a szokásos kudarc problémáit.
Ezenkívül a terhelési képessége a tervezés révén javul, hogy ellenálljon a nagyobb súlyoknak, tehát ez a SWC nagy teherbírású univerzális ízületi kapcsolás nagyon alkalmas forgatókönyvekre, amelyek szigorú követelményekkel rendelkeznek a terhelés hordozó kapacitására, például a bányászati gépek és az építőipari berendezések. Az átviteli hatékonyság szempontjából akár 98,6%-ot is elérhet. A nagy energiaátvitel hatékony univerzális ízületi csatlakoztatásaként jelentősen csökkentheti az energiafogyasztási és villamosenergia-költségeket, ezáltal előnyben részesített termék az energiatakarékos univerzális közös kapcsolási megoldásokhoz a nagy teljesítményű ipari sebességváltó területén.
Végül, ez a tengelykapcsoló stabil sebességváltót kínál, a működési zaj általában 30–40 dB (A) -nál vezérelve, így alacsony zajszintű univerzális ízületi összekapcsolássá válik. Ez a tulajdonság lehetővé teszi, hogy csendesen működjön még zajérzékeny ipari forgatókönyvekben is, miközben mindig fenntartja a nagy megbízhatóságot.
⭐⭐⭐⭐⭐ Wang Lei, projektmérnök, Guangdong Heavy Machinery Co., Ltd.
A Raydafon SWC-DH rövid flex hegesztési típusú univerzális tengelykapcsolóját egy ideje használjuk a nehéz gépeinkben, és ez kellemes meglepetés volt-különösen, amikor a szűk foltokba való illeszkedésre van szükség. Felszerelésünknek elég korlátozott helye van az átviteli alkatrészek számára, de ez a tengelykapcsoló kompakt kialakítása úgy illeszkedik, mint egy kesztyű, és nem kell más alkatrészeket átrendezni, csak hogy működjön.
Ami még jobb, hogy nem áldozza fel a teljesítményt a méretért. Még mindig erős, folyamatos nyomatékátvitelt biztosít-kritikus a nagy teherbírású műveleteinkhez. Hetek óta folyamatosan futtatjuk, és nulla rendellenes rezgés volt; Az egész rendszer sima marad. A hegesztési minőség szintén egy másik kiemelés-megmondhatja, hogy szilárd, csak azt nézi, ami teljes bizalmat ad nekünk, hogy hosszú távú nehéz felhasználást jelent. A helymegtakarító tervezés és megbízhatóság kiegyensúlyozásának összekapcsolásához ez a győztes.
⭐⭐⭐⭐⭐ Zhao Ming, beszerzési menedzser, Tianjin Steel Equipment Co., Ltd.
Nemrég megrendeltünk több SWC-DH csatlakozót Raydafonból, és azt kell mondanom, hogy az egész beszerzési folyamat szellő volt-nem fejfájás, késés nem. A megrendelés elküldésétől kezdve a csapatunk reagált, és a kézbesítés közvetlenül az ütemezett időpontban jelent meg, ami nagy plusz a produkciónk nyomon követésére. A csomagolás szintén csúcsminőségű volt: minden tengelykapcsolót biztonságosan csomagoltak, a szállítás során nem volt horpadás vagy sérülés-csak készen áll a dobozra és a telepítésre.
Műszaki csapatunk kezelte a beállítást, és azonnal megemlítették, milyen könnyű volt felszerelni. Nincs bonyolult lépés, nem kell vadászni a speciális eszközökre - gyorsan felszerelték, és azóta megbízhatóan fut. Ha figyelembe vesszük az ésszerű árat, amely párosul ezzel a következetes teljesítménygel, egyértelmű, hogy ez a tengelykapcsoló nagy értéket kínál. Már azt tervezzük, hogy tartsuk be a rendszeres beszerzési listánkon; Ez az a fajta termék, amely megkönnyíti a vevőként.
⭐⭐⭐⭐⭐ Liu Hong, karbantartási igazgató, Shandong Industrial Group
Mint valaki, aki felügyeli a berendezések karbantartását, a legnagyobb prioritásom az állásidő csökkentése és az idő csökkentése az idő, amelyet a csapatom az alkatrészek kiszolgálására tölt. A Raydafon SWC-DH tengelykapcsolója tökéletesen ellenőrzi mindkét dobozt. Használjuk azt olyan berendezésekben, amelyek naponta nehéz munkaterhelések alatt futnak, és soha nem csúszik vagy eltolódik - szilárdan a helyén van, nincs laza csatlakozás. Még hónapos használat után is alig van a kopás jele, ami óriási ellentétben áll más kapcsolatokkal, amelyeket korábban használtunk.
Azokkal a régebbi tengelykapcsolókkal mindig ütemeztük a gyors javításokat vagy az alkatrészek cseréjét, amelyek a termelési időbe kerültek és összeadtak költségeket. Ezt? Alig érintjük meg - nincs gyakori szervizelés, nincs váratlan bontás. Olyan sok időt és pénzt takarított meg nekünk a karbantartás során, és csak megbízhatóan végzi a munkáját. Manapság ez a napi műveleteinkben elindul; Nem kell aggódnom, hogy kudarcot vall, ami lehetővé teszi, hogy más prioritásokra összpontosítsam. Pontosan az a megbízható rész, amely minden karbantartó csapatnak szüksége van.
Cím
Luotuo ipari terület, Zhenhai kerület, Ningbo City, Kína
Tel


+86-574-87168065


Luotuo ipari terület, Zhenhai kerület, Ningbo City, Kína
Copyright © Raydafon Technology Group Co., korlátozott minden jog fenntartva.
Links | Sitemap | RSS | XML | Adatvédelmi szabályzat |
