QR-kód
Termékek
Lépjen kapcsolatba velünk


Fax
+86-574-87168065

Email

Cím
Luotuo ipari terület, Zhenhai kerület, Ningbo City, Kína
A Raydafon SWC-WD rövidítése flex karima típusú univerzális tengelykapcsolóját úgy építi, hogy a nyomaték hatékonyan mozgassa a nehéz gépekben-gondolkodjon acélgörgő malmokhoz, darukhoz, emelőberendezésekhez, mindez a nehéz tehergépjármű-felszereléshez. Kompakt, nem teleszkópos karima kialakítású, 180 mm és 1320 mm közötti girációs átmérőjű. Ez a rövid karimás univerzális csatlakoztatás képes kezelni a szöges eltéréseket 15 fokig és 16000 kN · m -es nyomatékot, tehát még olyan szűk terekben is, ahol nincs sok hely, az energia megbízhatóan továbbadja az energiát. A nagy szilárdságú 35crmo acélból készülünk, olyan csapágyszerkezetgel, amelynek nincs szüksége csavarokra-tökéletes az univerzális kapcsolókhoz nehéz gépekhez és nem teleszkópos univerzális kapcsolókhoz ipari alkalmazásokhoz. Nem igényel sok karbantartást, és örökké tart, és pontosan erre van szüksége a nehéz beállítások során.
Kínai gyártásunk az ISO 9001 szabványokat követi, így az SWC-WD Universal Csatlakozás durva körülmények között fennáll. A kereszttengely krómozott, hogy ellenálljon a korróziónak, növelve annak szilárdságát. A merev, hegesztett karima kialakítása szellővé teszi a telepítést, különösen a kohászatban és a bányászati berendezésekben, ahol az axiális mozgás elég minimális. Testreszabhatjuk a méretet, hogy megfeleljen az Ön igényeinek, így ez a tartós, rövid univerzális tengelykapcsoló nagyszerűen működik, mint egyedi univerzális tengelykapcsolók a daru rendszerekhez és más nagy teherbírású munkákhoz. És az ár is versenyképes. A Raydafon pontos kivitelezése kevesebb állásidőt és megbízhatóbb felszerelést jelent - valami ipari operátorra számíthat.
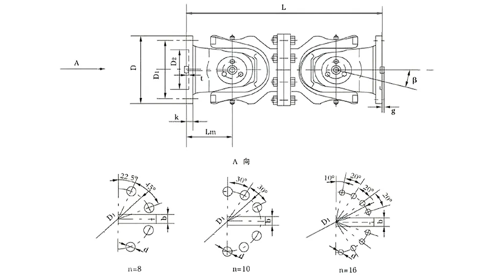
| Nem. | Felsiklási átmérő D mm | Névleges nyomaték TN Kn · m | Tengelyek hajtogatási szöge β (°) | Fáradt nyomaték Tf Kn · m | Méret (mm) | Súly (kg) | |||||||||
| LMin | D1 (JS11) | D2 (H7) | LM | N-D | k | t | b (H9) | g | LMin | Növekedés 100 mm | |||||
| SWC180WD | 180 | 12.5 | 6.3 | ≤25 | 440 | 155 | 105 | 110 | 8-17 | 17 | 5 | - | - | 0.145 | 52 |
| SWC225WD | 225 | 40 | 20 | ≤15 | 480 | 196 | 135 | 120 | 8-17 | 20 | 5 | 32 | 9.0 | 0.355 | 82 |
| SWC250WD | 250 | 63 | 31.5 | 560 | 218 | 150 | 140 | 8-19 | 25 | 6 | 40 | 12.5 | 0.831 | 127 | |
| SWC285WD | 285 | 90 | 45 | 640 | 245 | 170 | 160 | 8-21 | 27 | 7 | 40 | 15.0 | 1.715 | 189 | |
| SWC315WD | 315 | 125 | 63 | 720 | 280 | 185 | 180 | 10-23 | 32 | 8 | 40 | 15.0 | 2.820 | 270 | |
| SWC350WD | 350 | 180 | 90 | 776 | 310 | 210 | 194 | 10-23 | 35 | 8 | 50 | 16.0 | 4.791 | 370 | |
| SWC390WD | 390 | 250 | 125 | 860 | 345 | 235 | 215 | 10-25 | 40 | 8 | 70 | 18.0 | 8.229 | 524 | |
| SWC440WD | 440 | 355 | 180 | 1040 | 390 | 255 | 260 | 16-28 | 42 | 10 | 80 | 20.0 | 15.320 | 798 | |
| SWC490WD | 490 | 500 | 250 | 1080 | 435 | 275 | 270 | 16-31 | 47 | 12 | 90 | 22.5 | 25.740 | 1055 | |
| SWC550WD | 550 | 710 | 355 | 1220 | 492 | 320 | 305 | 16-31 | 50 | 12 | 100 | 22.5 | 46.780 | 1524 | |
| SWC620WD | 620 | 1000 | 500 | 1360 | 555 | 380 | 340 | 10-38 | 55 | 12 | 100 | 25.0 | 83.760 | 2120 | |
* 1. TF-a váltakozás alatt betölti a nyomatékot, amely megengedi a fáradtság szilárdságának megfelelően.
A Raydafon SWC univerzális ízületi csatolása - amelyet általában SWC Cardan tengely univerzális ízületi csatolásnak neveznek - nem csupán egy rész; Ez kötelező a nehéz ipari területeken, mint például a gördülő malmok, az emelő berendezések és mindenféle kemény nehézgép-beállítás. Nagymértékű univerzális ízületi csatlakoztatóként szilárd munkát végez, amely összekapcsolja a két olyan sebességváltót, amelyek nem tökéletesen igazodnak, ügyelve arra, hogy az energiát zökkenőmentesen szállítsák, még akkor is, ha a munkakörülmények valóban kemények.
Beszéljünk az alapvető specifikációiról: A gyration átmérője φ58 és φ620 között mozog, a névleges nyomaték 0,15 -ről 1000 kN · m -re halad, és a tengely hajtogatási szöge nem haladja meg a 25 ° -ot.
Ez a kapcsolás a legjobban működik a meghatározott foltokban-mint például amikor megbízható, nagy teljesítményű univerzális ízületi kapcsolásra van szüksége a gördülő malom műveletekhez, vagy egy tartós SWC univerzális ízületi tengelycsatlakozáshoz az emelő és az anyagkezelő berendezésekhez. Ezekben az esetekben megmutatja erejét: még a nagy stressz esetén is folyamatosan tartja a műveleteket, nincs rendetlenség vagy bontás.
A Raydafon SWC univerzális közös tengelykapcsolóját nemcsak összerakják, hanem intelligens, naprakész tervezéssel építették, hogy nagyszerűen működjenek, és hosszú ideig tartsanak az ipari használatban. Sétáljunk át, ami a szerkezetét kiemelkedik.
Először és ésszerű és biztonságos konfigurációval rendelkezik: integrált villakészítményt használtunk ehhez az ipari univerzális ízületi kapcsoláshoz, amely csökkenti a kockázatot, mint például a csavarok, amelyek laza vagy törnek. Ez a csípés önmagában 30% -50% -os szilárdabbá teszi, tehát biztonságosan és következetesen fut. A rendszeres kapcsolókhoz képest hosszabb ideig tart, és elkerüli a magas feszültségű foltok gyakori problémáit-például a nehéz gépek nehéz munkáiban, amelyeket kemény munkákban lát.
Aztán ott van a fokozott terhelés-hordozó kapacitás: Ez a SWC nagy teljesítményű univerzális ízületi csatlakoztatás a nagy súlyok kezelésére készül, tehát elengedhetetlen olyan helyeken, ahol csúcsminőségű terheléskezelésre van szükség, például bányászati felszerelések vagy építőgépek.
Ugyancsak eléri a magas átviteli hatékonyságot - 98,6%-ra. A nagy energiaátvitel hatékony univerzális ízületi kapcsolóként az energiafelhasználást és a hozzá tartozó költségeket csökkenti. Ezért ez az energiatakarékos, univerzális közös tengelykapcsoló megoldások legfontosabb választása a nagy teljesítményű ipari sebességváltó beállításokban.
És alacsony zajjal simán fut: a sebességváltó állandó marad, és a zaj általában 30–40 dB (A) között mozog. Ez az alacsony zajú, univerzális ízületi csatlakozás csendes tartja a műveleteket, amelyek tökéletesek az ipari foltokhoz, ahol a zaj problémát jelent-mindazonáltal a megbízhatóságot magas szinten tartja.
⭐⭐⭐⭐⭐ Zhang Wei, főmérnök, Henan Mining Equipment Co., Ltd.
A Raydafon SWC-WD rövidebbé nem flex karimás típusú univerzális tengelykapcsolót helyeztünk a bányászati gépeinkre, és ez tökéletesen illeszkedett. Kompakt kialakítása csak az, amire szükségünk van a szűk terekhez, ahol nincs sok hely a szabadban, és az építkezés elég nehéz ahhoz, hogy a műveleteket állandóan tartsuk. Még akkor is, ha nagy teherbírású körülmények között folyamatosan fut, ez a kapcsolás soha nem enged le minket-egyáltalán nem kudarcot vall. Karbantartási csapatunk szereti, hogy alig kell bejelentkezni, ami azt jelenti, hogy a termelést extra gond nélkül folytathatjuk zökkenőmentesen.
⭐⭐⭐⭐⭐ Michael Brown, a Texas Steel Works, USA operatív menedzsere
A texasi műhelyünk elrendelte az SWC-WD Short Flex karima típusú univerzális tengelykapcsoló nélkül Raydafon-tól, és őszintén szólva, a minőség elrobbant minket. A tengelykapcsolókat nagyon jól megmunkálják, a telepítésük egy cinch, és még terhelés alatt is megbízhatóan tartják fenn. Mi ragadt ki nekem a legjobban? Mennyire kiegyensúlyozza az árat és a teljesítményt - nem találja meg gyakran ezt az édes helyet. Nem könnyű megtalálni egy olyan beszállítót, amely következetesen biztosítja ezt a minőségi szintet, de Raydafon abszolút bebizonyította, hogy megbízható partner számunkra.
⭐⭐⭐⭐⭐ Anna Müller, karbantartási felügyelő, Berlin ipari megoldások, Németország
A Raydafon SWC-WD rövid rövid időn belüli univerzális tengelykapcsolóját a berlini berendezés sorunkra helyeztük, és az eredmények nagyszerűek voltak. Maga a termék szikla-szilárdnak érzi magát, a hegesztés pontos-itt nincs dolgom-, és eddig nagyon jól tartották, és a legkiválóbb tartósságot mutatják. Néhány más márkával összehasonlítva, amelyet itt használtunk Európában, ez a kapcsolás sokkal megbízhatóbb, és az ár is sokkal versenyképesebb. Ha más vállalatok megbízható univerzális tengelykapcsolókat keresnek, feltétlenül ajánlom a Raydafont.
A Raydafon SWC-WD rövidítése flex karima típusú univerzális tengelykapcsoló-gyakran SWC Cardan tengely univerzális ízületi csatlakoztatásnak nevezett-szűk ipari foltokhoz épül, ahol a hely korlátozott, és rögzített hosszúságú kialakításra van szüksége (nincs teleszkópos kiterjesztés). Nagymértékű, univerzális ízületi csatlakoztatásként hatékonyan mozgatja a nyomatékot a tengelyek között, amelyek nem igazodnak, és a szögbeli eltéréseket akár 25 fokig is kezelik, és még a nagy teherbírású környezetben is megbízható marad.
Beszéljünk a legfontosabb tulajdonságairól: Kompakt és merev felépítésű-ez a rövid, nem rugalmas karima beállítása megbízható, nagy teherbírású univerzális ízületi összekapcsolást eredményez a gördülő malomműveletekhez, extra stabilitást biztosítva a beállításokban, ahol a tengelyirányú mozgás minimális. Ezért működik olyan jól a rögzített távolsági kapcsolatokhoz a kemény gépekben. Aztán ott van a nagy teherbíró képesség: kemény anyagokat használunk, mint például öntöttvas vagy ötvözött acél, tehát ez egy tartós SWC univerzális ízületi tengelycsatlakozás az emelő és az anyagkezelő berendezésekhez. Nagy súlyokat tart, és nagyobb nyomatékot továbbít, mint az azonos átmérőjű más csatlakozók, ami tökéletes a bányászati vagy építőberendezések nehéz terheléséhez.
Ez az ipari univerzális ízületi kapcsolás szintén kompenzálja az eltérést, hogy nagyon jól - legyen -e szögletes, párhuzamos vagy tengelyirányú eltérés, nem zavarja a forgási sebességet vagy a nyomatékátvitelt. Ez azt jelenti, hogy zökkenőmentes működést jelent a nehéz gépek univerzális közös tengelykapcsoló -rendszereiben. És hatékony az energiaátvitelnél: A 98,6% -os hatékonyság elérésével ez a SWC nagy teljesítményű univerzális ízületi csatlakoztatás alacsony energiavesztést tart, így hatékony univerzális ízületi kapcsolás a nagy teljesítményű ipari sebességváltó számára.
Ráadásul az energia megtakarítására és a csendes futtatásra tervezték-ha energiatakarékos univerzális közös tengelykapcsoló-megoldásokra van szüksége, ez egy legjobb választás, az üzemeltetési költségek csökkentése. És tartja a zajt 30-40 dB (A) között, tehát ez az alacsony zajú univerzális ízületi kapcsolás megfelelő az ipari foltokba, ahol a zaj aggodalomra ad okot.
Ez a kapcsolás valóban ragyog meghatározott forgatókönyvekben-például amikor megbízható, nagy teljesítményű univerzális ízületi kapcsolásra van szüksége a gördülő malom műveletekhez, vagy egy tartós SWC univerzális ízületi tengelycsatlakozáshoz az emelő és az anyagkezelő berendezésekhez. Ezekben az esetekben, még szélsőséges terhelésekkel és korlátozott helyekkel is, stabilan tartja a műveleteket, nincs csuklás.
Az ipari univerzális közös kapcsolási alkalmazásokkal kapcsolatban az SWC-WD változatunk kiemelkedik a Smart Engineering segítségével, amely jobb és hosszabb ideig tart. Beszéljünk a kulcsszerkezetről: ésszerű, biztonságos beállítással rendelkezik, integrált villakészítményekkel-ez megszabadul a problémáktól, mint például a csavarok laza vagy megszakadva, az általános szilárdságot 30%-50%-kal növelve. Ez azt jelenti, hogy biztonságosan és megbízhatóan fut, hosszabb ideig tart, mint a régi stílusú modellek, és elkerüli a nagy stresszes helyek közös bontását, például a nehéz gépek univerzális közös kapcsolási rendszereit.
Ráadásul sokkal több terhelést képes kezelni-úgy építettük fel, hogy támogassuk a nehezebb súlyokat, így ez a SWC nagy teherbírású univerzális ízületi csatlakoztatás tökéletes olyan helyekhez, ahol kemény terheléskezelés, például bányászati vagy építőipari berendezések szükségesek. Ezenkívül szuper hatékonyan mozgatja az energiát, akár 98,6% -os sebességváltó hatékonyságát is elérve. A nagy energiaátvitel hatékony univerzális ízületi csatlakoztatásaként csökkenti az energiafelhasználást és a hozzá kapcsolódó költségeket, így a nagy teljesítményű ipari sebességváltó beállításaiban az energiatakarékos univerzális ízületi kapcsoló megoldások kiemelkedése.
És simán zajlik, alig zajló zajjal-a transzmisszió állandó marad, és a zaj általában 30–40 dB (A) között marad. Ez az alacsony zajú, univerzális ízületi csatlakozás csendes tartja a műveleteket, amelyek tökéletesek az ipari foltokhoz, ahol a zaj problémát jelent, mindazonáltal a megbízhatóságot magas szinten tartva.
A Raydafon nem csupán egy másik név az átviteli alkatrészekben-a nagy teljesítményű átviteli alkatrészek és ipari gépi megoldások vezető gyártója és szállítója, és éles hangsúlyt fektetünk olyan termékekre, mint az SWC Cardan tengely univerzális ízületi összekapcsolása. Elkezdtük lépést tartani azzal, amire szükségük van a globális iparágaknak, amikor fejlődnek, és az idő múlásával teljes felépítést készítettünk: sebességváltók, hajtótengelyek, hidraulikus hengerek, szíjtárcsák, precíziós szerszámok-mindezt annak érdekében, hogy a mezőgazdasági és a nehéz ágazatok mennyire jól működjenek. Nagyon nagyok vagyunk az innovációban, ezért tudunk megbízható, nagy teljesítményű univerzális közös csatolást szállítani a gördülő malomműveletekhez, amelyek még a legbonyolultabb rendszerekbe is illeszkednek.
A létesítményeink szintén csúcsminőségűek-CNC műhelyeket, őrlési és hőkezelő felszerelést, valamint fejlett 3D-s mérési rendszereket kaptunk. Ragaszkodunk a szigorú minőségi előírásokhoz, mint például az ISO9001/TS16949, és ez a beállítás lehetővé teszi, hogy nagymértékű univerzális ízületi kapcsolási megoldásokat készítsünk, amelyek nagymértékben mozgatják a nyomatékot, és kezelik az eltérést, mint egy profi. Vegyük például a tartós SWC univerzális ízületi tengelykapcsolót az emelő és az anyagkezelő berendezésekbe-ez olyan helyekre épül, amelyekre kemény terheléshez szükséges teljesítményre van szükség. És az ipari univerzális közös csatlakozó vonalunk? Mindenféle felhasználást lefed, ahol a pontosság és a szilárdság leginkább számít.
Az általunk készített nyolcvan százalék exportálódik - olyan helyekre, mint az Egyesült Államok, Németország, Japán, Olaszország, Malajzia, Ausztrália és a Közel -Kelet. Erős hálózatunk van Kínában, Dél -Koreában, az Egyesült Királyságban, Szingapúrban, az Egyesült Államokban és Spanyolországban is, tehát globálisan szilárd vagyunk. Ez lehetővé teszi, hogy testreszabott SWC, nagy teljesítményű univerzális közös tengelykapcsolási lehetőségeket kínáljunk-pontosan arra, amire az ügyfeleknek szükségük van, például a nehéz gépek univerzális közös tengelykapcsoló rendszereiben, ahol a szélsőséges terhelések alatt tartó stabil tartózkodás nem tárgyalható.
Törődünk a fenntarthatósággal és olyan megoldások készítésével, amelyek az ügyfelek első helyezkednek el. Ezért fejlesztjük ki az energiatakarékos univerzális ízületi kapcsolási megoldásokat, amelyek akár 98,6% -os átviteli hatékonyságot érnek el-az energiafelhasználás nagy teljesítményű beállításaiban. Függetlenül attól, hogy hatékony univerzális ízületi kapcsolásra van szüksége a nagy energiaátvitelhez, vagy alacsony zajszintű univerzális ízületi kapcsolásra az ipari foltokhoz, ahol a zaj problémát jelent, termékeink teljes értékesítés utáni szolgáltatással járnak. Így válunk megbízható partnerré az átviteli iparban - nem csak alkatrészeket adunk el, hanem támogatjuk őket.
Cím
Luotuo ipari terület, Zhenhai kerület, Ningbo City, Kína
Tel


+86-574-87168065


Luotuo ipari terület, Zhenhai kerület, Ningbo City, Kína
Copyright © Raydafon Technology Group Co., korlátozott minden jog fenntartva.
Links | Sitemap | RSS | XML | Adatvédelmi szabályzat |
