QR-kód
Termékek
Lépjen kapcsolatba velünk


Fax
+86-574-87168065

Email

Cím
Luotuo ipari terület, Zhenhai kerület, Ningbo City, Kína
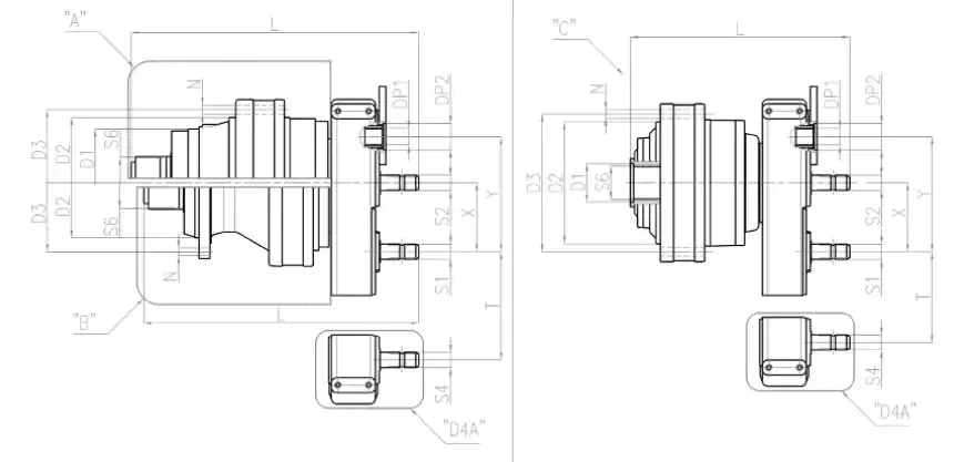
| Modell | PG-702 | PG-1002 | PG-1602 | PG-1802 | PG-2502 | PG-3002 | PG-3503 | |||
| I. arány i. | 18.2 | 18.3 | 13.4-33.6 | 15.7-29.9 | 14.6-20-36.2 | 45.3 | 53.7 | |||
| Kimeneti típus | B | B | B | C | B | C | A | C | C | C |
| D1 |
|
|
|
88HB |
|
88HB | 245F7 | 102H7 | 102H7 | 122HF |
| D2 | 200F7 | 230F7 | 230F7 | 278f7 | 230F | 278f7 | 340F7 | 340F7 | 340F7 | 340F7 |
| D3 | 250 | 295 | 295 | 314 | 295 | 314 | 370 | 370 | 370 | 370 |
| N | ∅15 × n ° 12 | ∅17 × n ° 10 | ∅17 × n ° 10 | ∅15 × n ° 18 | ∅17 × n ° 10 | ∅15 × n ° 18 | ∅17 × n ° 15 | ∅17 × n ° 15 | ∅17 × n ° 15 | ∅17 × n ° 15 |
| L | 646.5 | 627.5 | 693 | 490.5 | 714 | 499.5 | 798.5 | 595.5 | 601 | 680.5 |
| S6 | 70*64 Din5482 | 80*74 Din5482 | 100*94 din5482 | 80*74 Din5482 | 100*94 din5482 | 80*74 Din5482 | 100*94 din5482 | 100*94 din5482 | 100*94 din5482 | 120*22*5 din5482 |
| S1 | 1 "3/8 Z6 | 1 "3/8 Z6 | 1 "3/8 Z6 | 1 "3/8 Z6 | 1 "3/8 Z6 | 1 "3/8 Z6 | 1 "3/8 Z6 | 1 "3/8 Z6 | 1 "3/8 Z6 | 1 "3/8 Z6 |
| S2 | 1 "3/8 Z6 | 1 "3/8 Z6 | 1 "3/8 Z6 | 1 "3/8 Z6 | 1 "3/8 Z6 | 1 "3/8 Z6 | 1 "3/8 Z6 |
|
|
|
| DP1 | 40*36 din5482 | 40*36 din5482 | 40*36 din5482 | 40*36 din5482 | 40*36 din5482 | 40*36 din5482 | 40*36 din5482 | 40*36 din5482 | 40*36 din5482 | 40*36 din5482 |
| Dp2 | 60,3HB | 60,3HB | 60,3HB | 60,3HB | 60,3HB | 60,3HB | 60,3HB | 60,3HB | 60,3HB | 60,3HB |
| X | 157 | 157 | 157 | 157 | 157 | 157 | 157 | 157 | 157 | 157 |
| Y | 262 | 262 | 262 | 262 | 262 | 262 | 262 | 262 | 262 | 262 |
| S4 |
|
|
|
1 "3/8 Z6 |
|
1 "3/8 Z6 |
|
1 "3/8 Z6 | 1 "3/8 Z6 | 1 "3/8 Z6 |
| T |
|
|
|
156.8 |
|
156.8 |
|
156.8 | 156.8 | 156.8 |
| Modell | I. arány i. | D1 | D2 | D3 | D4 | N | E |
| PG-1602 | 22.14-33.6 | 80*74 Din5482 | 225 F7 | 278 F7 | 314 | ∅15 × n ° 18 | SAE B/SAE C |
| PG-2502 | 20-36.2 | 100*94 din5482 | 245 F7 | 340F7 | 370 | ∅17 × n ° 15 | SAE B/SAE C |
| Modell | I. arány i. | D1 | D2 | D3 | N | E |
| PG-161 | 3.55-2.49-5.60 | 40*36 din5482 | 110 f7 | 165 | ∅10,5 × n ° 8 | SAE A/SAE B/SAE BB/OMTS |
| PG-251 | 4.13-5.17-6.00 | 58*53 Din5482 | 150 f7 | 195 | ∅13 × n ° 10 | SAE A/SAE B/SAE BB/OMTS |
| PG-501 | 4.13-5.17-6.00 | 58*53 Din5482 | 150 f7 | 195 | ∅13 × n ° 10 | SAE A/SAE B/SAE BB/OMTS |
APG Series Feed Mixer Planetary GearboxA hagyományos keverőkészülékek sebességváltó rendszerének fájdalom pontjaiból származó mély betekintésből fakad. Három bolygófuvarozó -elosztott sebességváltó -architektúrája nem a mechanikai szerkezetek egyszerű egymásra rakása, hanem a stressz körülmények ismételt szimulációjával a különböző nyersanyagarányokban a fogaskerék -modulus, a fogszélesség és a hélix szög arany kombinációja végül meghatározódik. Például, amikor a kukorica szárak és a szójabab -étkezési keverékek feldolgozásakor, az egyedi bevonó fog kialakítása 15%-kal csökkentheti az anyagi zavarás kockázatát. A nagy pontosságú csiszolási eljárással a fogfelület érdességét a RA0.8 alatt szabályozzák, ami 8% -10% -kal növeli az átviteli hatékonyságot a hagyományos sebességváltókhoz képest. A takarmánygyár mért adatai azt mutatják, hogy a napi folyamatos üzemeltetési 12 órán belül a sebességváltó energiafogyasztása 14% -kal alacsonyabb, mint a hasonló termékeké, és a keverő tengely nyomaték ingadozási amplitúdójának 22% -kal csökken, ami jelentősen javítja a keverési egységességet.
A kemény részecskék, például a homok, kő és fém törmelékek esetében, amelyeket gyakran keverednek a takarmány -alapanyagokban, ezt a sebességváltót az anyagok és a folyamatok szempontjából megcélozzák. A fogaskerék teste 20crmnti ötvözött acélból készül. Miután a kezelés 1,2 mm-es karburizációs mélységgel, az alacsony hőmérsékletű edzési eljárással kombinálva, a foggyökér-hajlító fáradtság szilárdságát több mint 850 mPa-ra növelik. A tanyán végzett hiányos nyersanyag-szűrés szélsőséges munkakörülményei mellett a pici ellenállása egy folyamatos 500 órás homok- és kavicsos ütközési teszt ellenállt, és a fog felületén csak enyhe karcolások jelentek meg, hámozás nélkül. Ugyanakkor a bolygó hordozójának bordalemez -elrendezésének és csapágy előterhelésének optimalizálásával a sebességváltó továbbra is fenntarthatja az átviteli pontosságot, ha a névleges nyomaték 1,5 -szeres hatása van, elkerülve a sebességváltó eltérés vagy a túlterhelés által okozott fogtörés kockázatát.
A sebességváltó intelligens kialakítását a takarmány -feldolgozóipar működési pontjainak és karbantartásának mély megértéséből származik. Beépített intelligens megfigyelő modulja nem egyszerű adatgyűjtő, hanem a hőmérséklet, a rezgés, az áram és az egyéb jelek keresztirányú elemzése egy algoritmusmodellen keresztül. Például, ha a csapágyhőmérsékletet rendellenesen magasnak kell észlelni, a rendszer kombinálja a terhelési előzmények adatait annak meghatározására, hogy nem elegendő -e a kenés vagy a csapágy kopása, és a konkrét karbantartási ajánlásokat nyomja -e. A rendszer alkalmazását követően egy takarmányozó társaság elkerülte a három nem tervezett lemondást azáltal, hogy a zsírok és a csapágy -távolság előre beállítása előzetesen beállította, és az általános berendezések hatékonysága (OEE) 18%-kal nőtt. Ezenkívül a moduláris gyorskioldószerkezet kialakítását a front-line karbantartó személyzet visszajelzései ihlette. Csak négy csavart kell lazítani, hogy befejezze a bolygófokozat -készlet általános cseréjét, és a karbantartási időt a hagyományos szerkezet 4 órájáról 1,5 órára rövidítik.
A környezetvédelem és az energiahatékonyság optimalizálása szempontjából a sebességváltó innovatív kialakítása a takarmányipar igényeinek pontos megértéséből fakad a költségek csökkentése és a hatékonyság növelése érdekében. A hőeloszlású struktúrája nem növeli a hőeloszlás területét, hanem optimalizálja a spirális szöget és a hőeloszlású bordák távolságát a folyadékmechanika szimulációján keresztül, így a természetes hő -eloszlás hatékonysága 30%-kal növekszik, ezáltal csökkentve a hűtőventilátor energiafogyasztását. A kenési rendszerben a kettős zónás olajellátási technológiát alkalmazzák az olajmennyiség dinamikus beállítására a terhelés szerint, elkerülve a hagyományos sebességváltók „árvíz” kenési módszerét, és 25%-kal csökkentve a kenőanyag-fogyasztást. Az Európába exportált takarmánygyártó vonal tényleges mérése azt mutatja, hogy a sebességváltó zajszintje 5dB alacsonyabb, mint az EU szabványa, és energiahatékonysági szintje eléri az IE3 szabványt, segítve az ügyfeleket az importáló ország energiahatékonysági tanúsításának sikeres átadásában. Ez a tervezési koncepció, amely mélyen megköti a műszaki részleteket a kereskedelmi értékkel, kulcsa a terméknyertes piacfelismeréshez.
Helló! Elena García vagyok, a spanyolországi barcelonai ügyfél. Másfél évig használjuk a Planetary Gearbox -ot a fotovoltaikus panelkövetési rendszerünkben. Ez a berendezés teljesen megoldotta a napsütéses nyomkövetési pontosság problémáját - az előtte használt sebességváltót mindig minden reggel és este körülbelül 5 fokos nyomkövetési eltérés volt, míg a kódolóval ellátott bolygófokozógép 0,5 fokon belül képes vezérelni a nyomkövetési hibát. Most a fotovoltaikus panelek átlagos napi energiatermelése 18% -kal nőtt az előzőekhez képest, és még a villamosenergia -számla is jelentősen vékonyabbá vált. Most ez a bolygó -sebességváltó ellenállt a só spray -nek és az erős szélnek a tengerparti fotovoltaikus erőműben. A sebességváltó házának korróziógátló bevonata nem mutatott lecsökkenési jeleket, és a belső sebességváltóolajat nem kell olyan gyakran cserélni, mint korábban. Várom, hogy a jövőben együtt dolgozhassak veled a megújuló energiájú projektekben!
Hans Müller vagyok, a németországi gépészmérnök. Fél évvel ezelőtt megvásároltam a Raydafon Planetary Gearbox -okat a gyártási vonal frissítéséhez. Miután felhasználták őket, túllépték az elvárásaimat! A berendezés napi 16 órán keresztül nagy terheléssel fut, hogy feldolgozza a nagy viszkotikai alapanyagokat. A sebességváltó zaját 20%-kal csökkentik, az átviteli hatékonyság több mint 94%-nál stabil, a hőmérséklet -emelkedést mindig 25 ° C -on belül szabályozzák, és a tartósság jóval jobb, mint a régi modellek. Csapata professzionális és hatékony volt a folyamat során, a korai paraméterek optimalizálásától kezdve, a tömítést a struktúra beállításához a távoli hibakeresési útmutatásig. A részletes kialakítás (például porálló tömítések és szabványosított rögzítő lyukak) tovább tükrözi a tényleges munkakörülmények mély megértését. Raydafon termékminősége és szolgáltatási szintje arra késztette, hogy habozás nélkül belefoglaljam a hosszú távú beszállítók listájába, és erősen ajánlom társaimnak!
Olyan sok éven keresztül futok egy tanyát, és sok sebességváltót megváltoztattam. Csak addig, amíg a Raydafon bolygó-sebességváltóját használtam, akkor tényleg rájöttem, hogy mit jelent aggodalommentesen! A korábban használt berendezést mindig alulteljesítették a siló keverésekor, és a fogaskerekek gyakran csúsztak. Nem számítottam arra, hogy a bolygó -sebességváltó olyan hatalmas lesz. A termékét sokkal egyszerűbb telepíteni, mint gondoltam, és ezt is könnyű karbantartani. Legutóbb, amikor magam napi ellenőrzést végeztem, azt tapasztaltam, hogy a sebességváltó nagyon jól lezárt, és egyáltalán nem volt jele az olajszivárgásnak. A jövőben határozottan továbbra is támogatni fogom, és ajánlom neked a karmás barátaimnak! ---- Mark Johnson
Cím
Luotuo ipari terület, Zhenhai kerület, Ningbo City, Kína
Tel


+86-574-87168065


Luotuo ipari terület, Zhenhai kerület, Ningbo City, Kína
Copyright © Raydafon Technology Group Co., korlátozott minden jog fenntartva.
Links | Sitemap | RSS | XML | Adatvédelmi szabályzat |
