QR-kód
Termékek
Lépjen kapcsolatba velünk


Fax
+86-574-87168065

Email

Cím
Luotuo ipari terület, Zhenhai kerület, Ningbo City, Kína
Power "Relay Race": A Feed Mixer sebességváltó olyan, mint egy "relé kapitány" az energiaátvitelhez. A motor elindítása után az energiát először a sebességváltó bemeneti tengelyére továbbítják, majd a „sebességváltozást” a dobozban különböző méretű fogaskerekek csoportjának összeillesztésével érik el. Például, ha a bemeneti tengely percenként 1000 -szer forog, akkor a kimeneti tengely csak 100 -szor foroghat a sebességváltó csoport átvitele után, de a nyomaték jelentősen megnövekszik. Ezt az erős energiát ezután továbbítják a keverő tengelyre, lehetővé téve a keverőpengék számára, hogy gyorsan keverjék a takarmányt, könnyen kezelve a "kemény árukat", például a magas rosttartalmú takarmányt.
Pontos összeillesztés, csökkentett veszteség: A sebességváltó fogaskerekei nem egyeztetnek véletlenszerűen. A Raydafon által termelt fogaskerekek fogaknak pontosan kiszámították és feldolgozták, és szorosan illeszkednek, amikor összeillesztik, mint két olyan puzzle -darab, amely tökéletesen illeszkedik egymáshoz. Ilyen módon az energiaátvitel során nagyon kevés a súrlódás, kevesebb energiaveszteség és az energia nagy része felhasználható a keveréshez. Olyan, mintha egy "energiatakarékos magot" telepítenénk a takarmánykeverőre, ami energiát eredményez az energia pazarlása nélkül.
Rugalmas kiigazítás az igények kielégítéséhez: A különböző takarmányok és különböző keverési mennyiségek eltérő sebességet igényelnek. A takarmány -keverő sebességváltó szépsége az, hogy rugalmasan beállítható. A fogaskerekek kombinációjának megváltoztatásával különböző sebességi arányok érhetők el a különféle igények kielégítése érdekében. Ha el akarja keverni a silót és gyorsan koncentrálni, akkor növelje a sebességet; Ha törékeny nyersanyagokat szeretne kezelni, csökkentse a sebességet és lassan keverje össze, és a sebességváltó mindent megtehet.
Stabil támogatás és tartósság: A sebességváltó teste megegyezik a teljes sebességváltó rendszer "gyámjával". A nagy szilárdságú öntöttvas anyag, erős és sokk-ellenálló, stabilan támogathatja a belső fogaskerekeket és csapágyakat. A belső csapágyakat speciálisan kenjük a sima forgás és a csökkentett kopás érdekében. Még akkor is, ha rezgéseket generálnak a takarmány -keverés során, a sebességváltó biztosítja a fogaskerekek stabil elkötelezettségét, folyamatosan kiszállíthatja a stabil teljesítményt, és meghosszabbítja a teljes szolgáltatási élettartamot.
A Raydafon termékgyártási folyamatát szigorúan tesztelték, és a tényleges telepítés után teljes mértékben működőképesek lehetnek. Termékeink kiválasztása azt jelenti, hogy a nyugalmat választotta.
| Hányados | Bemenet fordulat |
Bemeneti teljesítmény | Kibocsátás | Modell | Megjegyzések | |
| KW | HP | Nm | ||||
| 16.1: 1 | 540 | 44.7 | 60 | 11600 | G1-0314 |
|
| 19.4: 1 | 540 | 26.1 | 35 | 8600 | G1-0514 |
|
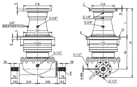
| Szám | A | B | C | D | E | F | G | H | 1 | J | K | L | M | N | ||||||||||||||||||
| 1 | ⌀200 H7 | ⌀278 | 12-M16 EQS⌀245 | 15 | 25 | ⌀280 F7 | ⌀380 | 12-M16 |
|
26 | 30 | 353 | 300 | 785 | ||||||||||||||||||
| 2 | ⌀200 H7 | ⌀278 | 12-M16 EQS⌀245 | 15 | 25 | ⌀280 F7 | ⌀380 | 12-M16 |
|
26 | 30 | 353 | 402.5 | 857.5 | ||||||||||||||||||
| 3 | ⌀278 H8 | ⌀345 | 15-M16 EQS⌀314 | 8 | 25 | ⌀348 H8 | ⌀385 | 12-⌀17 | 2-M18 | 10.5 | 29 | 351 | 321.5 | 774.5 | ||||||||||||||||||
| 4 | ⌀278 H8 | ⌀345 | 15-M16 EQS⌀314 | 8 | 25 | ⌀348 H8 | ⌀385 | 12-⌀17 | 2-M18 | 10.5 | 29 | 351 | 394 | 847 | ||||||||||||||||||
| 5 | ⌀154,8 H8 | ⌀250 | 12-M20*1,5 EQS⌀205 | 12 | 39 | ⌀348 H8 | ⌀385 | 12-⌀17 | 2-M18 | 10.5 | 29 | 354.5 | 321.5 | 778 | ||||||||||||||||||
| Hányados | lnput fordulat |
Bemeneti teljesítmény | Kibocsátás Nm |
Bemeneti tengely | Megjegyzések | |||||||||||||||||||||||||||
| KW | HP | |||||||||||||||||||||||||||||||
| 13.4: 1 | 540 | 85.8 | 115 | 17984 | X |
|
||||||||||||||||||||||||||
| 14.6: 1 | 540 | 70.8 | 95 | 16187 | X |
|
||||||||||||||||||||||||||
| 16.1: 1 | 540 | 63.4 | 85 | 15971 | X |
|
||||||||||||||||||||||||||
| 18.2: 1 | 540 | 44.7 | 60 | 12744 | X |
|
||||||||||||||||||||||||||
| 21.1: 1 | 540 | 37.3 | 50 | 12312 | X |
|
||||||||||||||||||||||||||
| 25.9: 1 | 1000 | 82 | 110 | 17954 | X |
|
||||||||||||||||||||||||||
| 28.3: 1 | 1000 | 67.1 | 90 | 16051 | X |
|
||||||||||||||||||||||||||
Az acél "test" szuper tartós: ez a sebességváltó megvastagodott, nagy szilárdságú öntöttvasból készül, és az egész doboz olyan erős, mint egy tartályhéj. Függetlenül attól, hogy ez a nedves környezet a siló keverésekor, akár a pelletizált takarmány kezelése által okozott erőszakos rezgés, folyamatosan ellenáll. A belső fogaskerekeket karburizálják és megfojtják, és a fogak felületének keménysége olyan magas, mint a HRC58. A kopásállóság háromszor erősebb, mint a szokásos fogaskerekek. Öt vagy hat évig folyamatosan használják poros és nehéz gazdaságokban, és az előadás továbbra is "online", és a javítások száma nagyon kevés.
Az energiaátvitel "nulla hulladék": A kialakítás tele van találékonysággal! A fogaskerék -illesztési pontosság eléri a hajszintet, és az energiaátviteli hatékonyság meghaladja a 95%-ot. Más sebességváltóknak a keverés során sok energiája "csúszik el", de a TMR keverő EP RMG adagológép -sebességváltónk felhasználhatja a motor összes teljesítményét a pengén. Az 5 tonna takarmány azonos keverésére a sebességváltó használata 15 perc gyorsabb lehet, és 20% -ot takaríthat meg a villamosenergia -számláknak, így valódi pénzt takaríthat meg a gazdálkodók számára.
Az "univerzális alkalmazkodóképesség" szuper gondtalan: függetlenül attól, hogy egy egyszerű keverő egy kis farmban vagy egy óriási berendezés egy nagy takarmánygyárban, ez a sebességváltó zökkenőmentesen csatlakoztatható. A sebességarány szabadon beállítható 2: 1-15: 1 -ig, és a durva, a koncentrátum -takarmány és a vegyes takarmány keverhető, amennyire csak akar. A telepítés szintén egyszerű, és nincs szükség a berendezés jelentős változtatására. A hétköznapi munkavállalók fél órán belül megtehetik azt az utasítások szerint, ami különösen alkalmas a sietõ mezőgazdasági termelõk számára. Az "intelligens védelem" szuper figyelmes: a sebességváltó beépített túlterhelés-védelmi eszközzel rendelkezik. Miután a keverési terhelés túl nagy, automatikusan "leáll", hogy elkerülje a fogaskerekek károsodását, amely nemcsak a gépet védi, hanem megakadályozza a biztonsági balesetek. Sőt, a szerkezeti kialakítás ésszerű. A doboz kinyitásával cserélhet egy csapágyat vagy javíthat egy fogaskeréket. Nem olyan zavaró, mint egy "orosz baba" szétszerelése. A leállási idő és a karbantartási idő jelentősen lerövidül, biztosítva, hogy a mezőgazdasági termelés ne álljon le.
Tengerentúli ügyfélként nagyon szeretnék köszönetet mondani Raydafonnak! Az adagoló keverő sebességváltóját nagyon könnyű használni. A telepítés óta a berendezés nagyon simán fut, és a munkaerő sokkal magasabb, mint korábban. A sebességváltó szilárd és tartós anyagokból készül, és könnyen telepíthető és karbantartható. Megoldotta a korábbi felszerelésünkkel kapcsolatos régi problémákat. Különösen dicsérnem kell az értékesítés utáni szolgáltatást. Néhány apró kérdéssel találkoztunk, amikor használják, és gyorsan kitaláltad. Nagyon megbízható. Ez az együttműködési tapasztalat nagyon jó. Javasoltam termékeit társaimnak, és nagyon várom, hogy a jövőben folyamatos együttműködést készítsen! ----- James Carter
Hé, David Johnson vagyok, a Raydafon ügyfele. Korábban vettem a takarmány -keverő sebességváltóit, és nagyon jó használni! A sebességváltó telepítése után az adagoló keverőnk sokkal simábban fut, mint korábban, és a hatékonyság javult. Régebben aggódtam a berendezések zavarása miatt, de most egyáltalán nem kell aggódnom. Ami a legérdekesebbnek érzem magam, hogy nagyon tartós, az anyag szilárdnak érzi magát, és nem zavaró, hogy napi szinten fenntartjuk. Csak húzza meg néhány csavart, és ellenőrizze az olajszintet, ellentétben az előző berendezéssel, amelyet néhány naponta el kell dobni. Legutóbb néhány apró kérdésem volt, amikor itt mûködtem, e-mailt küldtem az Ön értékesítés utáni szolgáltatásának, és ugyanazon a napon kaptam választ. A mérnök vázlatos diagramot is készített, hogy megtanítsa, hogyan kell beállítani. Ez a szolgáltatás nagyszerű! Hogy őszinte legyek, gyakran beszélek a termékeidről kollégáimmal, amikor együtt vacsorázok. A jó dolgokat több embernek kell ismerni. Remélem, hogy a jövőben továbbra is együttműködni fogok veled, és szeretném, ha vállalkozása egyre népszerűbb lesz!
A nevem Michael Brown. Kicsit tétováztam, amikor először megvettem a takarmány -keverő sebességváltóit, elvégre más termékek is megcsaltak, de miután majdnem fél éve használtam, tényleg hüvelykujját adom neki! Ennek a sebességváltónak a zaja sokkal kisebb, mint korábban. Korábban olyan volt, mint a mennydörgés, amikor bekapcsolták, de most nem kell kiabálnom, amikor a műhelyben beszélek. A legmeglepőbb dolog a hatékonyság. 40 percet vett igénybe egy tétel betáplálásának keverése, de most 25 perc alatt megtehető, és a szállítószalag is növelte a sebességét. A múlt héten a sebességváltó jelzőfénye kétszer villogott. Kíváncsi voltam, van-e probléma, ezért felhívtam az értékesítés utáni szolgáltatását. A lány, aki válaszolt a telefonra, nagyon türelmes volt. Engedte, hogy készítsek néhány képet, és arra vezettem, hogy tisztítsam meg a port az érzékelőtől a helyszínen. Legfeljebb 10 percig tartott. A sebességváltó szilárd anyagokból készül. A külső héj nehéznek érzi magát. Legutóbb egy targonca véletlenül megdörzsölte, hagyva egy kis jelet, de a belső részeket nem érintette. Folyamatosan beszéltem a termékeiről, amikor a szomszédos mezőgazdasági termelővel ivtam. Azt is tervezi, hogy a következő hónapban megrendel! Várom, hogy kipróbálhassam az új kiegészítőit a jövőben, és azt szeretném, ha erősebbé és erősebbé válna!
Cím
Luotuo ipari terület, Zhenhai kerület, Ningbo City, Kína
Tel


+86-574-87168065


Luotuo ipari terület, Zhenhai kerület, Ningbo City, Kína
Copyright © Raydafon Technology Group Co., korlátozott minden jog fenntartva.
Links | Sitemap | RSS | XML | Adatvédelmi szabályzat |
